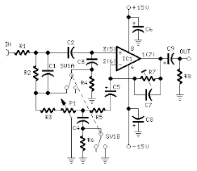
P1 10K Linear Potentiometer (Dual-gang/stereo)
R1,R6,R8 100K 1/4W Resistor
R2 27K 1/4W Resistor
R3,R5 1K 1/4W Resistor
R4 1M 1/4W Resistor
R7 20K 1/2W Trimmer Cermet
C1 100nF 63V Kapasitor
C2 47nF 63V Kapasitor
C3 470nF 63V Kapasitor
C4 15nF 63V Kapasitor
C5,C9 1µF 63V Kapasitors
C6,C8 47µF 63V Kapasitors
C7 100pF 63V Kapacitor
IC1 TL072 Dual BIFET Op-Amp
SW1 DPDT Switch (4 pole)
source: circuit-finder



oke gan
ReplyDelete